Beauty & Care
Nanochap Neurostimulation Chip Stim Engines Series NS4 in Cupping and Massage Instruments
Release time:2024-01-23
With the continuous development of technology, the medical and healthcare industry is undergoing unprecedented changes. Among the many innovative technologies, neurostimulation chips, with their unique advantages, are gradually becoming an important part of medical devices. Among them, Nanochap's neurostimulation chip, Stim Engines Series NS4, has attracted a lot of attention for its excellent performance and wide application prospects. Especially in the field of cupping massage instrument, the application of Stim Engines Series NS4 undoubtedly injects new vitality of science and technology into the traditional cupping therapy.

The core technology of Nanochap's nerve stimulation chip, Stim Engines Series NS4, lies in its ability to accurately stimulate the nervous system and generate corresponding physiological responses, thus achieving therapeutic effects. In cupping massage instruments, this technology provides users with a more comfortable and safe physiotherapy experience. Traditional cupping therapy mainly relies on heat and negative pressure to stimulate acupoints in order to relieve muscle tension and promote blood circulation. The use of Stim Engines Series NS4, on the other hand, allows this process to be precisely controlled and can be personalized according to an individual's needs and physical condition.
Specifically, Stim Engines Series NS4 stimulates the corresponding acupoints through microelectrical pulses, simulating the stimulating effect of traditional cupping. At the same time, its pulse frequency and intensity can be adjusted as needed, making the treatment process more flexible. In addition, Stim Engines Series NS4 is highly integrated, making the cupping massager more compact and portable in design. Users can perform cupping therapy at home by themselves, which is convenient and fast.

Of course, the use of technology is not an overnight success. In the process of applying Nanochap nerve stimulation chip Stim Engines Series NS4 to cupping massage instrument, we still need to pay attention to some key issues. First of all, safety is the primary consideration. NS4 adopts constant current source stimulation, current 3.6mA step, a total of 16 gears to support 0~57.6mA output stimulation, precise control of charge density, effective stimulation of the target nerve fibers or networks; biphasic waveform stimulation output, to achieve charge balance.
In addition, with the continuous progress of technology and market expansion, we believe that the application of Nanochap nerve stimulation chip Stim Engines Series NS4 in cupping and massaging devices will have a broader development prospect. In the future, this technology is expected to be combined with other therapeutic means to form a more comprehensive treatment program. At the same time, with the growing demand for health, personalized treatment will be more and more popular. The precise stimulation and personalized treatment of Stim Engines Series NS4 will undoubtedly provide strong support to meet this demand.
In summary, the use of Nanochap nerve stimulation chip Stim Engines Series NS4 in cupping massage instrument is of great significance. It not only enhances the therapeutic effect of traditional cupping therapy, but also brings users a more comfortable and safe physiotherapy experience. In the future, we expect this technology to bring more innovation and breakthroughs in the field of healthcare.
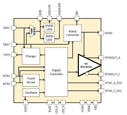
Advantages and features of Nanochap Stim Engines Series NS4 Multifunctional Neurostimulation Chip
1. Low application cost, the chip can realize a variety of stimulation modes to support a variety of terminal applications, the chip only needs to add a small number of peripheral components can be built to achieve its stimulation function.
2. High integration: integrated battery charging module, power switch, high voltage boost converter and multi-mode constant current source stimulation module.
3. Low standby power consumption: standby current 2uA.
4. Analgesic (TENS), muscle building (EMS - ASP), rehabilitation (EMS - RP) modes.
5. Low power consumption, ≤1μA under sleep.
6. Biphasic constant current source stimulation, high safety.
7. Built-in twelve kinds of professional waveforms, good stimulation effect.
Product parameters
l Operating voltage range: 3.7V ~ 5V
l Operating temperature range: 0 ~ 85°C
l Operating frequency: 1MHz
l Power supply: battery, USB or wireless charger
l Self-starting internal oscillator
l Integrated high voltage boost converter with overvoltage limiter
l Integrated multi-mode current stimulator
l Constant current source output
l Low standby power consumption
Follow us
Get in touch
Nanochap Electronics Co., Ltd
Melbourne: Suite 3, Level 4, 10 Queens road, Melbourne, VIC 3004, Australia.
Phone: +61432800985
Ho Chi Minh city: Level 19, TTC Building, 253 Hoang Van Thu, Ward 2, Tan Binh District, Ho Chi Minh city, Vietnam.
Phone: +84967096581