Beauty & Care
Nanochap Neurostimulation Chip Stim Engines Series NS4 on Meridian Pens
Release time:2024-02-21
With the rapid development of science and technology, mankind's pursuit of self-health is increasing. Against this background, Nanochap, with its cutting-edge biomedical technology, has developed a neurostimulation chip, Stim Engines Series NS4, and successfully applied it to meridian pens. The birth of this innovative product not only promotes the development of health science and technology field, but also brings a new health experience for the majority of users.

As a health tool combining traditional Chinese medicine meridian theory and modern technology, the core function of meridian pen is to stimulate the meridian system of human body and regulate the operation of the body's qi and blood, so as to achieve the purpose of soothing fatigue and promoting health. And Nanochap's Stim Engines Series NS4 chip has revolutionized the meridian pen with its unique nerve stimulation technology.
Stim Engines Series NS4 chip is a high-precision, low-energy consumption nerve stimulation chip. It stimulates the nerve endings of the human body through microcurrent, which can deeply regulate the body's physiological functions, promote blood circulation, relieve muscle tension and enhance the body's self-healing ability. The application of this technology makes the stimulation effect of the meridian pen more significant, and it can quickly penetrate into the deep tissues of the body to realize the deep regulation of the meridian system.

In the design of the Meridian Pen, the Stim Engines Series NS4 chip is skillfully embedded in the body of the pen, allowing the user to select different stimulation modes and intensities through simple operation. These modes can be adjusted according to the user's physical condition and needs, e.g. the soothing mode is suitable for daily relaxation, while the strong mode is suitable for deep muscle stimulation. This personalized stimulation allows the meridian pen to meet the diverse needs of different users.
With the improvement of health consciousness, meridian pen is gradually gaining popularity as a convenient and effective health tool. The application of Nanochap's Stim Engines Series NS4 chip undoubtedly endows the meridian pen with higher technological content and better experience. We have reason to believe that the popularization of this innovative product will bring more possibilities for people's healthy life.
To summarize, the use of Nanochap's nerve stimulation chip Stim Engines Series NS4 on the meridian pen not only demonstrates the perfect combination of technology and traditional medicine, but also brings a more accurate and efficient health experience for the majority of users. With the continuous progress of science and technology, we have reason to expect more similar innovative products to appear in our lives.
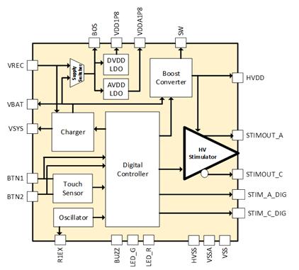
Nanochap Stim Engines Series NS4 Multifunctional Neurostimulation Chip Advantages and Features
1. Low application cost, the chip can realize a variety of stimulation modes to support a variety of end-use applications, the chip only needs to add a small number of peripheral components can be built to achieve its stimulation function.
2. High integration: integrated battery charging module, power switch, high voltage boost converter and multi-mode constant current source stimulation module.
3. Low standby power consumption: standby current 2uA.
4. Analgesic (TENS), muscle building (EMS - ASP), rehabilitation (EMS - RP) modes.
5. Low power consumption, ≤1μA under sleep.
6. Biphasic constant current source stimulation, high safety.
7. Built-in twelve kinds of professional waveforms, good stimulation effect.
Product parameters
l Operating voltage range: 3.7V ~ 5V
l Operating temperature range: 0 ~ 85°C
l Operating frequency: 1MHz
l Power supply: battery, USB or wireless charger
l Self-starting internal oscillator
l Integrated high voltage boost converter with overvoltage limiter
l Integrated multi-mode current stimulator
l Constant current source output
l Low standby power consumption
Follow us
Get in touch
Nanochap Electronics Co., Ltd
Melbourne: Suite 3, Level 4, 10 Queens road, Melbourne, VIC 3004, Australia.
Phone: +61432800985
Ho Chi Minh city: Level 19, TTC Building, 253 Hoang Van Thu, Ward 2, Tan Binh District, Ho Chi Minh city, Vietnam.
Phone: +84967096581